Fleischmann-Drehscheibe
digital
Auf der Suche nach Möglichkeiten, meine Drehscheibe
zu digitalisieren, bin ich im Web auf mehrere Lösungsmöglichleiten
gestoßen. Allen gemeinsam war, die Scheibe wie einen Magnetartikel
zu steuern. Immer auf der Suche nach billigeren Lösungen (es soll
ja auch noch Geld für Fahrzeuge übrig bleiben) kam ich zu folgender
Variante:
-Steuerung des Drehscheibenmotors über einen Lokdecoder
-Steuerung der Magneten in der Bühne über einen
Funktionsausgang des Lokdecoders
-Rückmeldung der Bühnenlage über SRK unter
der Bühne.
Hier erst einmal der Ist-Zustand:
Die Bühne wird über fünf Schleifer versorgt.
Zwei sind mit den Schienen des Bühnengleises verbunden. Ein Schleifer
steuert den Motor, ein weiterer den Entriegelungsmagneten. Einer dient
als gemeinsamer Rückleiter. Mittels vier Kontakten (zwei sind links
gut zu sehen) werden die Gleisabgänge mit Spannung versorgt.
Für den Digitalbetrieb ergeben sich
zwei Umbauvarianten, abhängig davon, ob von Hand oder mit PC gesteuert
werden soll.
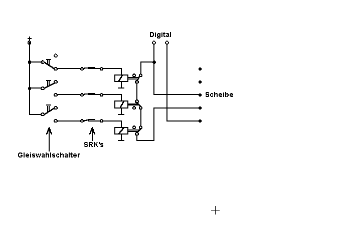
Für den manuellen Betrieb ist folgende Schaltung
gedacht:
In diesem Beispiel ist der obere Gleiswahlschalter betätigt.
Bekommt der Decoder einen Fahrbefehl, setzt sich die Scheibe in Bewegung.
Kurz vor Erreichen des Zielgleises wird durch einen unter der Bühne
angeordneten Magnet der SRK (hier der obere) geschlossen, worauf das zugeordnete
Relais anzieht und die Spannungszufuhr zum Entriegelungsmagneten unterbricht.
Die Umpolung des Bühnengleises läßt
sich wie hier zu sehen realisieren. Wenn nicht alle Gleisabgänge genutzt
werden, werden die SRK's zur Umpolung zweckmäßigerweise in der
"Lücke" platziert. Diese Anordnung setzt voraus, daß jeder Gleisabgang
einen eigenen Kontakt erhält, also auch die Blindabgänge. Unter
der Bühne darf sich nur ein Magnet befinden.
Bei Komplettbelegung müssen die (Umpol-)Kontakte
so weit wie möglich außen platziert und über einen separaten
Magneten geschaltet werden. |
 |
Für PC-gesteuerten Betrieb ist die Schaltung der
Bühne wie folgt zuändern, wobei links die Variante mit einem
N-Decoder und rechts mit einem H0-Decoder dargestellt ist.
In beiden Fällen muß die einseitige Verbindung
von Motor und Entriegelungsmagneten aufgetrennt werden.
Entgegen den Schaltplänen betreibe ich den Magneten
nicht direkt am Decoder, sondern über ein zwischengeschaltetes Relais.
Platz ist reichlich vorhanden und dem Magneten traue ich hinsichtlich Stromaufnahme
nicht so recht über den Weg.
Die Kontakte, welche die Gleisabgänge versorgen,
werden entfernt. Die ersten paar Zentimeter der Gleisabgänge (vom
Grubenrand bis zur Stelle, wo Profilfreiheit zum Nachbargleis gegeben ist)
werden zu einem gemeinsamen Rückmeldeabschnitt zusammengefaßt.
Dies ist später eine vom PC zu prüfende Bedingung, ob Fahrten
zur bzw. von der Bühne erlaubt sind oder die Bühne gedreht werden
darf. Das Bühnengleis selbst stellt auch einen eigenen Rückmeldeabschnitt
dar.
Die Umpolung des Bühnengleises geschieht wieder
über ein bistabiles Relais. Nur wird dieses jetzt über einen
Magnetartikeldecoder geschaltet.
 |
Motor und Magnet sind elektrisch voneinander getrennt.
Die originalen Entstörmaßnahmen des Motors habe ich belassen. |
 |
Lageprobe von Decoder und Relais - keine Platzprobleme. |
 |
...und los geht's mit der Löterei! Den Entriegelungsmagneten
betreibe ich mit Gleichspannung - deshalb die Dioden am Relais. Den Pluspol
stellt der Decoder an Blau bereit. |
 |
Ein aufgeklebter Leiterplattenrest dient als Lötbasis.
F2/+/F0/F0 - von oben nach unten. Von F2/+ führen Cu-Lackdrähte
zum Bedienstand - dieser wird nun von einer LED belcuchtet. F0 ist (noch?)
nicht belegt. Vielleicht bekommt die Bühne später noch Rangiersignale.
F1 schaltet den Magneten. |
 |
Programmieren! |
 |
Die Bühne ist fertig verdrahtet, der Decoder programmiert,
die Magneten zur Betätigung der SRK's angeklebt. Nur die Kontakte
zur Versorgung der Gleisabgänge müssen noch entfernt werden. |
 |
Die Drehscheibe von unten. Die genaue Lage der SRK's
muß durch Probieren ermittelt werden. Wichtig ist, das die Kontakte
bereits schließen, bevor das Zielgleis erreicht ist!
Bei mir sind, wenn die Bühne sich zwischen zwei
Abgängen befindet, beide Kontakte geschlossen. Zeigt sie auf einen
Gleisabgang, dann sind der zugehörige Kontakt und die beiden benachbarten
Kontakte geschlossen. |
Die von mir verwendete Software DC300 ist zwar nicht
sehr verbreitet, jedoch sollte das Prinzip auf andere Programme übertragbar
sein. Die Bewegung der Drehscheibe geschieht über Fahrstraßen,
welche von Hand über Start/Ziel am Monitor oder automatisch angefordert
werden können. Die Auswertung, wie die Scheibe bewegt werden muß,
wird über Variablen vorgenommen.
Folgende Variablen kommen zum Einsatz:
a = Iststellung der Scheibe (Wertebereich entsprechend
Gleisanzahl)
b = Sollstellung (Wertebereich wie Iststellung)
c = intern berechnet
d = intern berechnet
e = Bühnenlage (wegen Polung) 0-Bedienstand links/1-Bedienstand
rechts
f = Traktion 0-Dampf/1-andere (oder leere Scheibe)
g = Fahrtrichtung der auf der Scheibe befindlichen Lok
0-vorwärts/1-rückwärts
(die Fahrtrichtungsinformation sollte ein gutes Programm
zur Verfügung stellen)
Das Anfordern der Drehscheibenbewegung erfolgt, indem
a mit der Nummer des Zielgleises beschrieben wird.
Ich habe bei mir mittels Timerfunktion realisiert, daß
einmal pro Minute a mit b verglichen wird. Da dies nicht direkt möglich
ist, wird c=a-b und d=b-a berechnet. Werte<0 werden auf 0 gesetzt (bei
DC300 nicht notwendig, da keine Ergebnisse<0 möglich).
Sind danach c und d gleich Null, wird die Fahrstraße
verlassen, da in diesem Fall a=b ist.
Ist a ungleich b, dann muß c oder d größer
0 sein. Je nachdem, ob dies auf c oder d zutrifft, wird die Fahrtrichtung
des Decoders gesetzt.
Anschließend muß die von 0 verschiedene Variable
dahingehend geprüft werden, ob sie gleich oder größer als
1 ist, da Drehbewegungen über mehrere Gleisabgänge anders gehändelt
werden als die Drehung zum nächsten Gleis.
Danach wird geprüft, ob f=0 ist. Wenn ja, wird in
Abhängigkeit von g (und der Lage der Zufahrtgleise zum Lokschuppen)
entschieden, ob die Drehung auf kürzestem Weg erfolgen oder die Lok
gewendet werden soll. In letzterem Fall wird die Fahrtrichtung des Decoders
geändert.
Drehung zum nächsten Gleis:
Fahrstufe ausgeben, F1 an, ca 0,5 sec warten, F1 aus.
Die Zeitspanne ausprobieren; 0,5 sec funktioniert bei mir recht zuverlässig.
Drehung über mehrere Gleise:
Fahrstufe ausgeben, F1 an, warten auf RM des Kontaktes
vor dem Zielgleis, kleinere Fahrstufe ausgeben, warten auf RM des Kontaktes
des Zielgleises, F1 aus.
Je nach örtlichen Gegebenheiten das Bühnengleis
umpolen und dabei e neu setzen, damit der PC beim nächsten mal die
aktuelle Bühenlage kennt.
Zum Schluß nicht vergessen, a auf den Wert von
b zu setzen sowie c und d auf 0!
Alles, was sich programmmäßig mit der Drehbewegung
befaßt, gegen alle Fahrstraßen auf die und von der Drehscheibe
verriegeln.
Die Fahrstufe des Drehscheibendecoders kann man wieder
auf 0 setzen, muß man aber nicht.
Wenn eine Fahrstraße nur eine begrenzte Anzahl Befehle
enthalten kann (ist bei DC300 der Fall), dann die Abfolge auf mehrere Fahrstraßen
verteilen. Dazu nimmt man eine weitere Variable, welche am Ende jeder (Teil-)Fahrstraße
um 1 erhöht wird und mit dem dann erreichten Wert die Ausführbedingung
der folgenden (Teil-)Fahrstraße darstellt. Am Ende dieser Verkettung
muß diese Variable dann wieder auf 0 gesetzt werden.
Ich bitte um Entschuldigung, wenn nicht alles ganz verständlich
sein sollte. Es ist nicht einfach, diese Problematik in Worte zu fassen,
ohne dabei mehre MB Text zu produzieren.
Falls Fragen offen geblieben sind, einfach fragen!